

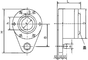
基本參數和尺寸
| 規格 | 額定逆止力矩Nm | 非接觸轉速r/min | 最高轉速r/min | 安裝尺寸mm | 最大重量Kg | |||||||||
| dmax | dmin | D | d1 | H | B | L | L1 | L2 | L3 | |||||
| NF10 | 1000 | 450 | 1500 | 50 | 32 | 190 | 28 | 278 | 150 | 162 | 25 | 20 | 5 | 28 |
| NF16 | 1600 | 450 | 60 | 45 | 208 | 32 | 305 | 160 | 167 | 25 | 22 | 31 | ||
| NF25 | 2500 | 425 | 70 | 50 | 230 | 38 | 330 | 170 | 172 | 25 | 25 | 38 | ||
| NF40 | 4000 | 425 | 80 | 60 | 245 | 42 | 358 | 185 | 183 | 28 | 30 | 49 | ||
| NF63 | 6300 | 400 | 90 | 70 | 265 | 45 | 378 | 195 | 195 | 30 | 35 | 62 | ||
| NF80 | 8000 | 400 | 100 | 80 | 285 | 48 | 410 | 210 | 210 | 35 | 35 | 73 | ||
| NF100 | 10000 | 400 | 110 | 90 | 305 | 52 | 440 | 225 | 225 | 35 | 45 | 98 | ||
| NF125 | 12500 | 375 | 130 | 100 | 340 | 58 | 492 | 250 | 250 | 40 | 50 | 154 | ||
| NF160 | 16000 | 375 | 1000 | 140 | 110 | 370 | 62 | 432 | 260 | 260 | 40 | 55 | 8 | 175 |
| NF200 | 20000 | 350 | 150 | 120 | 415 | 65 | 590 | 300 | 300 | 50 | 38 | 214 | ||
| NF250 | 25000 | 350 | 160 | 130 | 450 | 70 | 646 | 335 | 335 | 50 | 63 | 256 | ||
NF型非接解式逆止器
掃描二維碼分享到微信